
Seit ende Sommer 2011 ist von Italeri die Do 217 M-1 im Handel. Grundsätzlich handelt es sich um eine überarbeitete Version des aus den 70ern stammenden Bausatzes 217 K - jetzt mit den Daimler DB 603-Motoren der ebenfalls schon lange erhältlichen Version 217 N.
Italeri hat allerdings nicht nur verschiedene Spritzrahmen neu kombiniert, sondern den Bausatz im bekannten Stil der „Historic Upgrade“ Reihe überarbeitet, ansprechend neu verpackt und mit zusätzlichen Details ausgestattet.
Volker Helms hat den Bausatz in seinem Artikel schon kompetent und illustriert vorgestellt. Ich verzichte deshalb darauf, die gleichen Bilder auch hier einzustellen.
Das „Historic Upgrade“ besteht aus neuen Decals, einer A5-Broschüre von 36 Seiten in Englisch und neuen Spritzguss Teilen für Cockpit und Fahrwerk. Die Broschüre enthält einen Überblick mit zahlreichen Fotos, technische Details in der Form von Zeichnungen und Abbildungen aus den Original-Handbüchern und 5 Farbprofile. Diese Unterlagen sind sicher ein Bonus für Modellbauer, die nicht über eine Sammlung von Büchern und Daten über den Typ verfügen und werten den Bausatz für viele Käufer sicher auf.
Das Mittelblatt der Broschüre zeigt auch einen Seitenriss einer M-1 fast im Maßstab 1/72 und zeigt für den anspruchsvolleren Modellbauer schmerzhaft, was Italeri nicht geändert hat. Die Formen für Rumpf und Tragflächen wurden unverändert übernommen und das Rumpfheck ist natürlich immer noch viel zu schlank.
Natürlich ist die Änderung eines Werkzeuges kostspielig. Andrerseits wurde das Rumpfvorderteil auch für die neuen Cockpitteile erneuert. Mit einer Investition in ein neues korrektes Rumpfhinterteil und neue DB 603-Gondeln hätte Italeri uns jedoch endlich und konkurrenzlos fast eine einfache, aber eine weitestgehend realistische Version einer Do 217 M / N anbieten können.
Fast darum, weil auch die DB 603 Motorengondeln immer noch die viel zu schmalen Kühler haben.
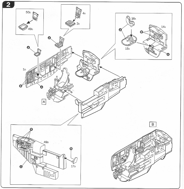
Aber betrachten wir mal die Neuerungen der Reihe nach. (Die nachfolgenden Scans sind unter der Prämisse „fair use“ der Bausatzanleitung von Italeri entnommen.)
Die Innenseite der Cockpit-Partie hat nun keine Auflagen mehr für die (alte) Inneneinrichtung. Und die neue gespritzte Inneneinrichtung macht jedem „aftermarket“ oder Zurüstteil aus Resin alle Ehre. Das beginnt mit einem vernünftigen Bodenteil für das Pedestal des Flugzeugführers, inklusive zentrale Seitenwand, Bombenzielgerät, Fusspedale, einem vernünftig aussenden gepanzerten Sitz inklusive dem Rad für die Landeklappen-Betätigung dahinter.

Und es geht weiter mit detaillierten Seitenwänden links und rechts, Spant 11 / 12 mit Detaillierung der Rückwand und einem realistischen Sitz mit Fusswanne für den Funker/Schützen des B-Standes, plus Sitze für Navigator und Bordschütze.

Die Fahrwerkschächte bestehen neu aus je 4 Teilen mit Details auf den Innenseiten, die Fahrwerksklappen sind auf den Innenseiten ebenfalls mit Strukturen detailliert, die Strebenteile und der Einziehmechanismus sind modifiziert, verfeinert und realistischer als in den vorhergehenden Versionen.
Die Räder haben auf beiden Seiten detaillierte Felgen und die Pneus sind abgeflacht und mit einem „Wulst“ über der Auflagefläche gespritzt. Dieses übertriebene Detail kann jedoch problemlos auf ein realistisches Mass zurückgeschliffen werden. Wichtiger ist der Umstand, dass die Räder in der Breite voluminöser und auf 7 mm Breite vergrössert sind.

Der Spritzrahmen D ist komplett neu (Cockpit & Fahrwerksteile) und beim Rahmen A sind die Kleinteile auf einem neuen „Runner“ zusammengefasst. Dort findet sich ein grösseres und detailliertes Heckrad, eine überarbeitete Heckrad-Abdeckung, Heckradschacht-Klappen mit Strukturen und neue, sehr fein detaillierte Abwehr- Waffen für Front- und Seitenbewaffnung. Diese ersetzen die auf dem Rahmen B noch vorhandenen MG’s. Motoren, Spinner, Propeller und Flammendämpfer hingegen sind unverändert.

Die Klarteile sind unverändert, wie gewohnt etwas dick, aber schlierenfrei und transparent.
Fazit für mich: Für den verlangten Preis liefert Italeri hier ein attraktives Paket von in vielen Details verbesserten Bausatz-Teilen, eine Broschüre mit informativen Zusatzinformation und schöne Decals mit 6 Markierungs-Varianten.
Um die nicht so stimmigen Details der DB 603 Gondeln/Kühler und die Heckform muss sich der anspruchsvolle Modellbauer selbst kümmern
Rolf Blattner, IPMS Schweiz (Oktober 2010)